Produk
Pupuk Seeder Gearbox EP35 kanggo penyiar pupuk
  • Pupuk Seeder Gearbox EP35 kanggo penyiar pupukPupuk Seeder Gearbox EP35 kanggo penyiar pupuk
  • Pupuk Seeder Gearbox EP35 kanggo penyiar pupukPupuk Seeder Gearbox EP35 kanggo penyiar pupuk

Pupuk Seeder Gearbox EP35 kanggo penyiar pupuk

Minangka pabrikan profesional lan supplier ing China, pabrik pabrik raydafon kanthi seneng banget nggawe pupuk gearbox EP35 kanggo panyebaran pupuk! Produk kasebut cocog kanggo model panyebaran pupuk pupuk, lan rasio kacepetan cocog karo seri EP35. Kothak kasebut digawe saka aloi aluminium mati-cast dhuwur, sing entheng nanging nduweni resistensi pengaruh sing kuwat lan bisa tahan 8 jam operasi intensitas sing terus-terusan. Giring kasebut nitrided, kanthi kekerasan lumahing HV700 lan 50% resistansi nyandhang. Saka R & D lan produksi kanggo inspeksi lan pengiriman kualitas, kita ngontrol kabeh proses lan nyedhiyakake solusi transmisi sing luwih efisien lan tahan pupuk kanthi rega sing kompetitif!

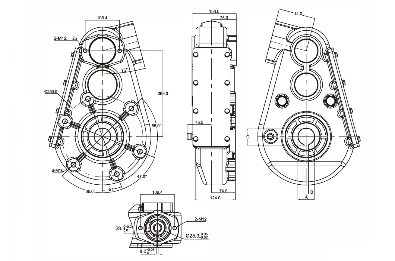
Ukuran Produk

Fertilizer Seeder Gearbox Ep35 For Fertilizer Broadcaster

Data teknis produk

i Cocog Input rpm Output rpm Torque Output Bobot Potongan
rpm rpm N.m kg
Dodolan 24.3: 1 Penyiaran pupuk, lsp 1000 41 3500 47 Gleason Helikal
Untu
Cathetan: Yen sampeyan kudu mbutuhake khusus supaya ora ngerti, kita uga nampa adat.


A B C
F45 14 48.8
Φ50 14 53.8
Φ60 18 64.4

Mupangat produk

Desain transmisi tliti tliti pupuk gearbox ngidini bagean ngilangi pupuk kanggo spreterage pupuk kanggo muter kanthi cepet kanthi kesalahan sing sithik. Apa pupuk senyawa granular utawa pupuk organik bubuk, bisa uga nyebar ing lapangan. Ing jaman biyen, nalika nglamar pupuk, wong mesthi kuwatir manawa ana papan sing luwih akeh pupuk lan ana papan sing kurang pupuk. Saiki karo gearbox, pupuk kasebut disebar kanthi merata, lan 10% - 15% pupuk bisa disimpen saben hektar, yaiku dhuwit nyata.

Nihan gearbox digawe saka bahan aloi kekuatan sing dhuwur, lan gulu internal digawe khusus lan duwe resistensi super. Sajrone proses pembuahan, gesekan partikel pupuk lan geter saka lapangan ora bakal duwe pengaruh akeh. Garar kothak biasa bisa uga kudu dibalekake sawise siji utawa rong utawa rong kwartal, nanging raydafon pupuk gearerbox Raydafon bisa digunakake kanggo telung nganti limang taun tanpa masalah, bisa nyuda biaya pangopènan lan panggantos.


Apa iki minangka panyebaran pusher jinis push lan jinis traksi jenis sing gedhe, panyebaran gear iki bisa diadaptasi. Rasio kacepetan bisa diatur miturut kabutuhan pembuingan sing beda. Nalika nyebar wiji sing beda kayata gandum lan jagung, kanthi cepet ngalih menyang kacepetan sing diselehake pupuk. Kajaba iku, gampang diinstal lan ora mbutuhake modifikasi utama kanggo panyebaran pupuk. Petani biasa bisa nindakake kanthi dhewe, sing cocog banget.


The Seederbox Ep35 kanggo penyiar pupuk duwe efisiensi transmisi daya sing dhuwur banget, sing ngidini panyebaran pupuk nganti bisa kerja kanthi cepet lan nyuda kelangan energi. Ing jaman kepungkur, mung 20 hektar tanah sing bisa dibuahi dina. Saiki karo gearbox iki, 5-8 hektar luwih bisa ditindakake saben dinane. Njupuk cuaca sing apik, operasi pembuahan bisa rampung kanthi luwih cepet tanpa tundha wektu tani. Ing wektu sing padha, gearbox kasebut kurang sithik sajrone operasi lan ora bakal ngganggu lingkungan sekitar, nggawe operasi pembuahan luwih kepenak.

Fertilizer Seeder Gearbox Ep35 For Fertilizer Broadcaster


Paseksen pelanggan

Kothak kothak pupuk EP35 tenan! Sawise nginstal, seeder mlaku kanthi lancar. Ing jaman biyen, mesin asring nyuwil nalika nglamar pupuk, nanging saiki ora perlu kuwatir apa-apa, lan efisiensi seeding wis nambah akeh. Kothak gear iki kualitas apik banget, lan cangkang banget solid. Katon banget tahan. Sampeyan uga gampang dijaga. Sampeyan bisa ngoperasikake dhewe miturut pandhuane, sing nyimpen akeh wektu lan dhuwit. Aku nemoni masalah cilik nalika nggunakake wektu terakhir. Aku hubungi layanan sawise sales, lan dheweke mbantu ngatasi kanthi cepet. Layanan kasebut banget profesional. Aku wis nyaranake produk menyang petani liyane, lan uga kepengin banget. Aku ngarepake terus kerja bareng-bareng karo sampeyan ing ngarep, lan aku pengin perusahaan sampeyan luwih apik lan luwih apik! ------ Mark Johnson


Hai, Aku Alex Parker, Pelanggan Raydafon. Aku nggawe pilihan sing tepat nalika tuku kothak gear kothak pupuk! Kothak lawas sing digunakake dadi lara nyata saben aku menyang lapangan, amarga pupuk bakal macet utawa gears bakal nggawe swara sing nembus. Saiki aku wis nginstal iki, wiji pengeboran kanthi lancar, pupuk kasebut nyebar kanthi merata lan cepet, lan uga kacepetan ing dashboard minangka jam. Pungkasane, aku ora sengaja ndemek saklar safety sajrone operasi, lan mesin kasebut tiba-tiba mandheg. Aku nimbali layanan sawise sales, lan teknisi mulang aku carane ngreset langsung liwat FaceTime. Kurang saka 15 menit kanggo ndandani, sing luwih cepet tinimbang mesin peternakan ing omahku. Saiki kabeh tiga wiji ing kebonku wis diganti karo gearbox!


Aku Mia Cooper saka Australia. Wiwit aku ngontrak petani iki, aku wis ngganti peralatan lan peralatan kaping pirang-pirang, lan kothak Gearerbox Raydafon paling bebas! Sadurunge, nalika mesin nemoni akeh potholes utawa lemah sing atos, gires bakal kaya tantrum, lan pupuk kasebut nyebar ora rata, mula aku kudu nyebar kanthi manual. Gearbox sampeyan pancen kuat, kekuwatan kasebut stabil lan cukup. Pungkasane, udan rong dina berturut-turut, lan mesin liyane bubar, nanging wiji sing isih maju, lan pupuk kasebut nyebar kanthi merata. Sawise nggunakake nganti meh setaun, ora ngawut-awut saka gearbox wis longgar. Hasil gandum taun iki saben mu wis tambah 20% dibandhingake karo taun kepungkur! Ing mangsa ngarep, saben bagean mesin pertanian, aku bakal mikir dhisik!





Hot Tags: Pupuk Seeder Gearbox EP35 kanggo penyiar pupuk
Kirim Pitakonan
Info kontak
Kanggo pitakon babagan silinder hidraulik, gearbox, poto shafts utawa dhaptar rega, tinggalake email sampeyan menyang kita lan kita bakal sesambungan sajrone 24 jam.
X
Kita nggunakake cookie kanggo menehi pengalaman browsing sing luwih apik, nganalisa lalu lintas situs lan nggawe konten pribadi. Kanthi nggunakake situs iki, sampeyan setuju kanggo nggunakake cookie. Kebijakan Privasi
nolak Nampa