Kode QR
Babagan Kita
Produk
Hubungi Kita


Fax
+86-574-87168065

E-mail

alamat
Wilayah Industri Luotuo, Kabupaten Zhenhai, Kutha Ningbo, China
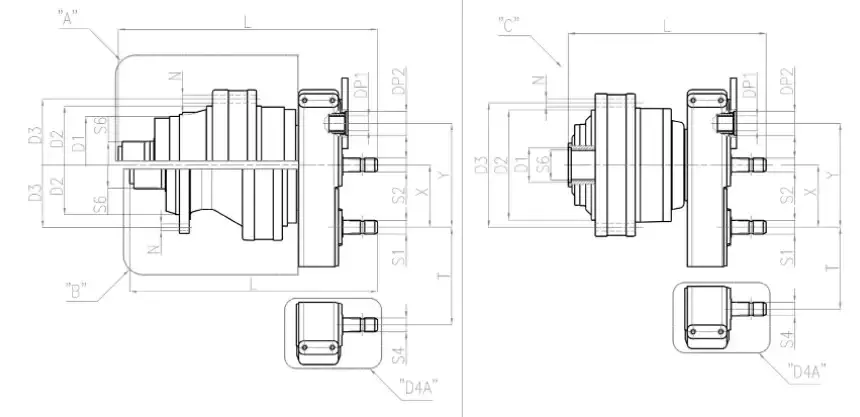
| Model | PG-702 | PG-1002 | PG-1602 | PG-1802 | PG-2502 | PG-3002 | PG-3503 | |||
| Rasio i | 18.2 | 18.3 | 13.4-33.6 | 15,7-29.9 | 14.6-20-36.2 | 45.3 | 53.7 | |||
| Jinis Output | B | B | B | C | B | C | A | C | C | C |
| D1 |
|
|
|
88hb |
|
88hb | 245f7 | 102H7 | 102H7 | 122Hf |
| D2 | 200f7 | 230F7 | 230F7 | 278f7 | 230F | 278f7 | 340f7 | 340f7 | 340f7 | 340f7 |
| D3 | 250 | 295 | 295 | 314 | 295 | 314 | 370 | 370 | 370 | 370 |
| N | ∅15 × n ° 12 | ∅17 × n ° 10 | ∅17 × n ° 10 | ∅15 × N ° 18 | ∅17 × n ° 10 | ∅15 × N ° 18 | ∅17 × n ° 15 | ∅17 × n ° 15 | ∅17 × n ° 15 | ∅17 × n ° 15 |
| L | 646.5 | 627.5 | 693 | 490.5 | 714 | 499.5 | 798.5 | 595.5 | 601 | 680.5 |
| S6 | 70 * 64 Din5482 | 80 * 74 din5482 | 100 * 94 din5482 | 80 * 74 din5482 | 100 * 94 din5482 | 80 * 74 din5482 | 100 * 94 din5482 | 100 * 94 din5482 | 100 * 94 din5482 | 120 * 22 * 5 din5482 |
| S1 | 1 "3/8 Z6 | 1 "3/8 Z6 | 1 "3/8 Z6 | 1 "3/8 Z6 | 1 "3/8 Z6 | 1 "3/8 Z6 | 1 "3/8 Z6 | 1 "3/8 Z6 | 1 "3/8 Z6 | 1 "3/8 Z6 |
| S2 | 1 "3/8 Z6 | 1 "3/8 Z6 | 1 "3/8 Z6 | 1 "3/8 Z6 | 1 "3/8 Z6 | 1 "3/8 Z6 | 1 "3/8 Z6 |
|
|
|
| DP1 | 40 * 36 din5482 | 40 * 36 din5482 | 40 * 36 din5482 | 40 * 36 din5482 | 40 * 36 din5482 | 40 * 36 din5482 | 40 * 36 din5482 | 40 * 36 din5482 | 40 * 36 din5482 | 40 * 36 din5482 |
| Dp2 | 60.3Hb | 60.3Hb | 60.3Hb | 60.3Hb | 60.3Hb | 60.3Hb | 60.3Hb | 60.3Hb | 60.3Hb | 60.3Hb |
| X | 157 | 157 | 157 | 157 | 157 | 157 | 157 | 157 | 157 | 157 |
| Y | 262 | 262 | 262 | 262 | 262 | 262 | 262 | 262 | 262 | 262 |
| S4 |
|
|
|
1 "3/8 Z6 |
|
1 "3/8 Z6 |
|
1 "3/8 Z6 | 1 "3/8 Z6 | 1 "3/8 Z6 |
| T |
|
|
|
156.8 |
|
156.8 |
|
156.8 | 156.8 | 156.8 |
| Model | Rasio i | D1 | D2 | D3 | D4 | N | E |
| PG-1602 | 22.14-33.6 | 80 * 74 din5482 | 225 F7 | 278 F7 | 314 | ∅15 × N ° 18 | Sae b / sae c |
| PG-2502 | 20-36.2 | 100 * 94 din5482 | 245 F7 | 340f7 | 370 | ∅17 × n ° 15 | Sae b / sae c |
| Model | Rasio i | D1 | D2 | D3 | N | E |
| PG-161 | 3.55-2.49-5.60 | 40 * 36 din5482 | 110 F7 | 165 | ∅10,5 × n ° 8 | SAE A / SAE B / SAE BB / OMPS |
| PG-251 | 4.13-5.17-6.00 | 58 * 53 Din5482 | 150 F7 | 195 | ∅13 × N ° 10 | SAE A / SAE B / SAE BB / OMPS |
| PG-501 | 4.13-5.17-6.00 | 58 * 53 Din5482 | 150 F7 | 195 | ∅13 × N ° 10 | SAE A / SAE B / SAE BB / OMPS |
PangembanganPG Seri Pemotong Planet Planet PlanetAsal saka wawasan jero menyang titik nyeri sistem transmisi saka peralatan tradisional. Telung gear planetane arsitektur planet sing disebar yaiku tumpukan struktur mekanik, nanging liwat simulasi kahanan stres sing beda karo rasio bahan mentah, gabungan emas modulus, gabung karo untu lan sudut helix pungkasane ditemtokake. Contone, nalika ngolah batang jagung lan campuran panganan soybean, desain unik sing unik bisa nyuda risiko materi jaminan kanthi 15%. Kanthi proses penggilingan tliti dhuwur, kekerasan permukaan untu dikontrol ing ngisor RE0.8, sing nambah efisiensi transmisi kanthi 8% -10% dibandhingake karo gearbox. Data sing diukur saka pabrik feed nuduhake yen ing 12 jam operasi terus saben dina, konsumsi energi saka gagang sing padha 14% luwih murah tinimbang karo garan campuran kasebut dikurangi kanthi seragam sing dicampur.
Kanggo partikel sing angel kayata lebu wedhi, watu, lan logam sing asring dicampur ing bahan-bahan mentah feed, gearbox iki wis ditargetake babagan bahan lan proses. Badan gear digawe saka 20crmnisi baja wesi. Sawise perawatan quenching karo ambane karburizing saka 1.2mm, digabungake karo proses temper suhu sing sithik, oyod oyod sing untu mundhak luwih saka 850Mpa. Ing kahanan sing bisa digunakake kanggo nglamar pemerahan bahan mentah sing ora lengkap ing ranch, resistensi pitusane wis testodo wedhi 500-jam lan test sing terus-terusan, lan mung goresan sethithik muncul ing permukaan waos tanpa kulit. Ing wektu sing padha, kanthi ngoptimalake tata letak RIB lan preloading operator planet, gearbox isih bisa njaga akurasi transstasi nalika torsi sing direncanakake, nyingkirake risiko nyegelake resik penyalahgunaan utawa rusak.
Desain cerdas saka gear kothak sing asale saka pemahaman sing jero babagan tumindak operasi lan pangopènan ing industri pangolahan pakan. Modul pemantauan cerdas sing dibangun ora minangka kolektor data sing gampang, nanging analisis suhu, geter, saiki lan sinyal liyane liwat model algoritma. Contone, nalika suhu bearing bisa dideteksi dadi abnormally, sistem kasebut bakal gabungke data riwayat beban kanggo nemtokake manawa ora cukup pelumas utawa nyandhang, lan nyandhang rekomendasi pangopènan. Sawise nglamar sistem iki, perusahaan feed nyingkiri telung mudhun mudhun sing ora direncanakake kanthi ngganti pelumas lan nyetel reresik sing luwih awal, lan efisiensi peralatan luwih awal. Kajaba iku, desain struktur release modular diilhami dening umpan balik personel pangopènan ing ngarep. Mung papat bolts kudu diluncurake kanggo ngrampungake penggantian sakabehing peralatan planet, lan wektu pangopènan dipendhet saka 4 jam struktur tradisional nganti 1,5 jam.
Ing babagan optimalisasi lingkungan lan optimization efisiensi energi, desain inovatif saka gearbox batang saka genggeman sing tepat saka kabutuhan industri feed kanggo nyuda biaya lan nambah efisiensi. Struktur pembuangan panas kasebut ora kanthi wuta nambah wilayah dissipation panas, nanging ngoptimalake sudut spirasi lan jarak saka empuk panas kanthi 30%, saengga bisa nyuda energi penggemar pendinginan. Ing sistem pelumas, teknologi pasokan minyak dual diadopsi kanthi tliti lenga miturut beban, ngindhari metode pelumas ing gearbox tradisional, lan nyuda panggunaan pelumas 25%. Ukuran nyata linean produksi feed sing diekspor menyang Eropa nuduhake manawa tingkat swara ing gearbox yaiku 5dB luwih murah tinimbang standar iE3, lan level efisiensi energi, lan bisa mbantu para pelanggan supaya bisa ngirim sertifikasi efisiensi energi. Desain desain iki konsep sing nyandhang rincian teknis kanthi nilai komersial yaiku kunci kanggo produk pangenalan pasar.
Halo! Aku Elena García, pelanggan saka Barcelona, Spanyol. Kita wis nggunakake kotak planet ing sistem pelacak fotovoltaik ing sistem pelacakan siji lan setengah taun. Peralatan iki wis ngrampungake masalah saka akurasi sunshine pelacakan srengenge - gearbox sing digunakake sadurunge tansah duwe penelapan babagan 5 derajat saben esuk lan sore, nalika sampeyan bisa ngencengi kesalahan pelacakan sajrone 0,5 derajat. Saiki panel fotovolasi fotovolasi saben dina rata-rata saben dina mundhak 18% dibandhingake karo sadurunge, lan uga tag listrik wis dadi luwih tipis. Saiki gearbox planet iki wis tahan tes semprotan uyah lan angin sing kuwat ing stasiun listrik fotovoltaik ing segara. Pelapisan anti-Korosi saka omah kotak sing ora nuduhake tandha-tandha babagan sing mandheg, lan lenga peralatan internal ora perlu diganti kanthi asring. Aku ngarep-arep bisa nggarap sampeyan ing proyek energi sing bisa dianyari maneh ing ngarep!
Aku Hans Müller, insinyur mekanik saka Jerman. Setengah taun kepungkur, aku tuku gear planet raydafon kanggo nganyarke baris produksi. Sawise nggunakake, dheweke ngluwihi pangarepanku! Peralatan kasebut mbukak kanthi jumlah 16 jam dina kanggo proses bahan mentah sing dhuwur. Bising kothak gear dikurangi 20%, efisiensi transmisi stabil luwih saka 94%, suhu mundhak mesthi dikontrol ing 25 ° C, lan daya tahan kasebut luwih unggul tinimbang model lawas. Tim sampeyan pancen profesional lan efisien sajrone proses, saka optimalisasi awal parameter, penyesuaian struktur panyunting kanggo tuntunan debugging adoh. Desain sing rinci (kayata segel bledug lan bolongan sing dipasang kanthi standar) luwih nggambarake pangerten babagan kahanan kerja sing nyata. Kualitas produk Raydafon nggawe aku kalebu ing dhaptar supplier jangka panjang tanpa ragu-ragu, lan menehi saran banget kanggo para kanca-kancaku!
Aku wis mlaku ranch nganti pirang-pirang taun lan wis pirang-pirang gearboxes. Ora nganti aku nggunakake koterbox Planet Raydafon sing dakkenal apa tegese bakal kuwatir banget! Peralatan sing digunakake sadurunge wis dikuatake nalika nyawiji silage, lan gire asring katon. Aku ora ngarep-arep karo koterbox planet sampeyan dadi kuat. Produk sampeyan luwih gampang diinstal tinimbang sing dakkira, lan uga gampang dijaga. Pungkasane aku nindakake pemeriksaan saben dinane, aku nemokake manawa gearbox iki apik banget disegel lan ora ana tandha bocor minyak. Aku mesthi bakal nyengkuyung sampeyan ing ngarep lan menehi saran kanggo kanca-kanca rancer! ---- tandha Johnson
alamat
Wilayah Industri Luotuo, Kabupaten Zhenhai, Kutha Ningbo, China
Telp


+86-574-87168065


Wilayah Industri Luotuo, Kabupaten Zhenhai, Kutha Ningbo, China
Hak Cipta © Raydafon Teknologi Group Co, winates kabeh hak dilindhungi undhang-undhang.
Links | Sitemap | RSS | XML | Kebijakan Privasi |
