Kode QR
Babagan Kita
Produk
Hubungi Kita


Fax
+86-574-87168065

E-mail

alamat
Wilayah Industri Luotuo, Kabupaten Zhenhai, Kutha Ningbo, China
Yen sampeyan lagi ngrampungake karo mesin kaya pompa sing mindhah cairan sedina, para penggemar sing njaga ruangan fleksibel, utawa piranti sing cukup fleksibel kanggo nangani torsi sing cukup. Sing persis karo topling fleksibel sing bisa digunakake dening Raydafon. Nangani nganti 4mm saka salah sawijining salah sudut lan 2 derajat misalignment sudut, saengga shafts sampeyan ora diantrekake dijejeri kanthi tanpa gandum.
Kita entuk model saka NL1 kabeh cara kanggo NL10, saengga ana cahya meh kabeh cahya kanggo tugas medium-tugas. Torji kapasitas saka 40 n · ma nganti 3150 n · m, lan diameter bolongan nganti 6mm nganti 100mm - ora perlu golek ukuran sing gedhe utawa sithik banget. Apa sing nggawe coupling sing fleksibel driji cilik iki yaiku gaweane: lengan nilon kekuatan dhuwur dipasangake karo hub baja. Kombo kasebut tegese mlaku sepi, lan meh ora kudu ndemek kanggo mriksa pangopènan, utawa ora ana sing terus-terusan kanggo alon-alon sampeyan. Iki dadi kanggo kopling peralatan sing fleksibel kanggo mesin industri, lan yen sampeyan bisa ngupayakake pompa, iku minangka salah sawijining kuplong kopling lengan nilon sing paling dipercaya kanggo pompa. Kajaba iku, desain kompak kasebut cocog karo persiyapan sing ketat, lan bisa digunakake lancar ing antarane -20 ° C lan + 70 ° C - ora preduli yen ruang kerja utawa anget.
Ing Raydafon, kita nggawe kopling iki ing China, lan kita tetep standar menyang ICO 9001 standar-saben bagean dipriksa kanggo mesthekake yen tahan lama lan siap pungkasan. Lengan nilon ora mung kuwat, uga tahan sing ora konduktif lan karat. Yaiku game kanggo ruang lembab utawa wilayah sing ana bahan kimia, ing ngendi sapisan liyane bisa dadi teyeng utawa ringkes - iki terus luwih suwe. Lan struktur sing gampang ndadekake rapat lan mbesuk, ora ana alat sing rumit, cepet bisa cepet yen sampeyan kudu ngganti utawa nindakake pangopènan. Pramila pilihan ndhuwur kanggo pasangan gear custom-kita bisa ngapiki supaya cocog karo persiyapan khusus sampeyan - lan minangka salah sawijining pasangan peralatan fleksibel sing paling tahan kanggo peralatan tekstil sing paling tahan layak utawa mesin spinning.
Kita nawakake kabeh jinis ukuran lan konfigurasi batang, supaya sampeyan entuk google sing cocog karo mesin - ora pilihan siji-siji-ora ana pilihan. Lan kita njaga rega kompetitif, dadi sampeyan ora kudu nglangkungi kualitas. Kanggo bisnis ing saindenging jagad, iki tegese kurang downtime (amarga gampang nginstal lan njaga) lan efisiensi peralatan sing luwih apik - persis sing kudu sampeyan tetep kanthi lancar.
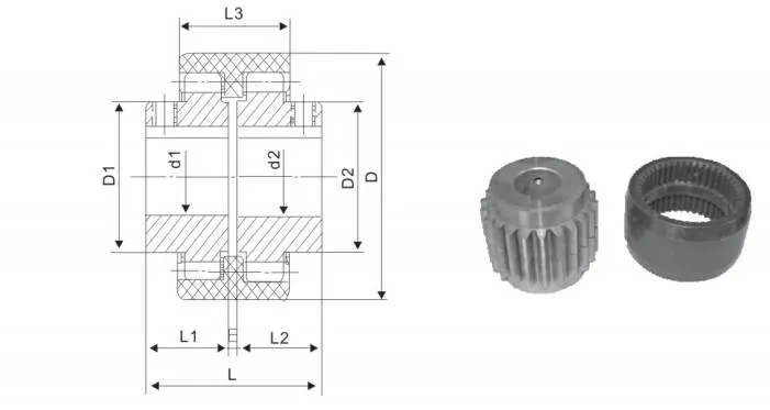
Logika kerja inti saka NLL Gear fleksibel nggunakake untu gear meshing kanggo entuk transmisi torsi, nalika lengan nilon, minangka komponsignment shaft, nanging ora mung bisa menehi peran sing penting kanggo nyerep gawe kaget. Ing desain struktural iki, loro hub kanthi untu eksternal disambungake liwat lengan internal nilon sing dibangun ing. Gabungan iki ora mung njamin transmisi daya sing efisien ing sistem mekanik nanging uga nyuda getaran lan pengaruh sing digawe sajrone operasi. Mupadane Desain iki nyata bukti ing aplikasi aplikasi NLLon Gear Fleksibel NL Tipe C Fleksibel sing kudu dicocogake kanggo peralatan ukuran cilik lan medium.
Nalika gagang nyopir ngirim torsi marang salah sawijining hub eksternal ing HUB kanthi untu lengen internal nilon, lan banjur lengen internal nilon kanthi lancar ngirim daya menyang poros liyane. Malah ing kahanan kerja ing endi ana sudut, podo utawa salah suda ing sistem shaft, mekanisme transmisi meshing iki isih bisa njamin operasi peralatan sing stabil. Mula, ing lapangan sing mbutuhake solusi aditif sing bisa dipercaya, kayata sistem transmisi garis produksi garis otomatis, kekuwatan Sambungan convey Fl fleksibel lan piranti sing cocog karo NL.
Bahan nilon sing digunakake ing Gear Flex Single Cocog Flex Single duwe sifat kelenturan sing apik banget, sing ora mung bisa nyuda nyandhang peralatan mekanik sing disambungake kabeh. Minangka produsen gandhengane peralatan profesional, Raydafon milih bahan sing luwih maju lan ngoptimalake proses manufaktur nalika ngasilake couput jinis NL, nggawe produk kasebut kanggo njaga kinerja sing apik ing industri sing beda. Contone, ing skenario urusan karo macem-macem variabel, topling variabel NLLON GEAR sing diprodhuksi kanthi kemampuan transmisi salah kanggo ngindhari biaya transmisi sing bisa disebabake dening sistem shaft sing disebabake dening sistem downtime.
Kanggo njaga pasangan fleksibel jinis NL Type sing bisa njaga efisiensi kerja sing stabil, pangopènan saben dinane penting, ing antarane pelumasan reguler saka bagean waos minangka link utama. Lubrication sing cukup bisa nyuda kerugian gesekan sajrone nyandhang untu, luwih nambah stabilitas operasi lan nyuda kemungkinan gagal. Umumé, keperluan kerja fleksibel nggunakake NL NYLON GEAR TIXTLE yaiku transmisi torsi sing kuwat nalika nggatekake keluwesan lan stabilitas sistem transmisi hub signergis lan lengan nilon fleksibel. Minangka supplier gear sing berpengalaman, Raydafon mesthi ngontrol presisi produk lan linuwih kanthi standar sing bisa ditindakake dening para pelanggan ing macem-macem industri nilon gear fleksibel kanthi adaptasi lan daya tahan sing dhuwur.
Kopling Fleksibel NL NYLON GEAR TY TIXCTIF DIPANGGIH DIPENGKAP UNTUK APLIKASI Kinerja Dhuwur ing Skenario Mekanikal. Iki njamin transmisi daya stabil nalika disalahake batang kanthi fleksibel, nggawe pilihan sing kompetitif ing kategori couplings lengan lengan nilon. Sorotan desain utama saka pasangan iki ana ing lengan nilon kekuatan sing dhuwur, sing ora mung nambahake pasangan kanthi kemampuan deformasi elastis nanging uga nambah daya tahan struktur sakabehe. Iki nggawe utamane minangka komponen gaji lengan sikil lengan kanthi fleksibel nilon sing fleksibel ing peralatan industri sing makarya kanggo wektu sing dawa.
Ing babagan kapasitas transmisi torsi, coupling nilon gear fleksibel menehi informasi sing luar biasa, kanthi gampang nangani syarat beban dhuwur kanthi gampang. Apa ing piranti mesin abot, mesin pertambangan, utawa peralatan conveyor conveyor ukuran gedhe - kabeh panjaluk luhur ing transmisi tenaga kanthi dhuwur, madegake minangka model coupling peralatan torsi dhuwur sing luwih disenengi kanggo macem-macem kahanan makarya torsi. Nalika ngatasi masalah masyarakat shaft misalizas sajrone operasi mekanik, coupling peralatan lemari fleksibel iki uga nuduhake adaptasi sing apik banget. Iki bisa nyerep lan menehi ganti rugi kanggo misalignment sudut, lan salah podo, lan salah suda, kanthi signifikan nyuda stres tambahan ing shafts sing gegandhengan karo kabeh layanan transmisi. Fitur iki utamane penting kanggo peralatan produksi sing mbutuhake operasi terus-terusan.
Salajengipun, bahan nilon saka panggunaan nilon gear fleksibel nlon gear kanthi gampang duwe penyerapan kejutan lan sifat buffering sing apik. Sajrone operasi peralatan, bisa nyuda pengaruh geter lan kejut, mesthekake operasi sing luwih lancar ing sistem transmisi. Akibate, ing kahanan makarya dinama kanthi geter sing asring, wis dadi solusi sing nyerep nylon-nada gear sing disenengi kanggo akeh perusahaan. Ing babagan resistensi karat, saliyane resistensi kimia kimia sing apik banget, komponen logam saka kopling iki ngalami perawatan khusus kanggo ngalami perawatan khusus, ngaktifake operasi stabil ing lembab, bledug, utawa lingkungan sing rada corrosive. Dibandhingake ing kopet sing ketat tradisional, nampilake adaptasi sing luwih kuat ing kahanan kerja sing luwih kuat, kanthi lengkap babagan syarat sektor industri kanggo kalodhangan peralatan tahan tahan lama.
Saka perspektif operasi lan pangopènan, nggunakake coupling fleksibel nlon gear nganggo desain gratis. Ngilangake kabutuhan tambahan utawa pangaturan pelumas, sing ora mung nyuda beban pangopènan saben dina, nanging uga nyuda risiko gagal peralatan sing disebabake dening pangopènan sing ora bener. Iki bisa ngontrol biaya operasi lan downtime, kanthi sampurna karo kritéria pilihan ing industri sing ngupayakake produksi efisien lan kurang konsumsi kanggo pasangan peralatan sing fleksibel. Kangge, struktur sakabehe yaiku entheng lan kompak, nggampangake instalasi sing gampang lan cepet lan cepet-cepet. Malah ing peralatan peralatan kanthi papan sing winates, Majelis saka pasangan peralatan sing kompak iki bisa gampang rampung, luwih nambah efisiensi efisiensi instalasi peralatan lan perawatan.
Ringkesan, nggabungake kopling Fleksibel Tipe NL Tipe menyang sistem transmisi nyedhiyakake dhukungan operasional sing luwih stabil lan efisien kanggo peralatan. Khusus ing lapangan Manufaktur presisi, ing ngendi transmisi tliti tliti dhuwur-kanthi desain sing dioptimalake kanthi akurasi, linuwih, dadi komponen transmisi kanggo nambah peralatan sakabèhé.
Garling Fleksibel Fleksibel NL Type bisa digunakake minangka bagean transmisi kanggo kabeh jinis persiyapan mekanik sing mbutuhake transfer daya sing mantep. Apa sing dadi lengan nilon - mbengkongake mung rendhem getar lan ndandani gerakan garan cilik, saengga mung cocog kanggo panggunaan torsi sing bisa diidini kanthi cepet.
Tindakake mesin industri, kayata. Coupling iki apik kanggo nggandheng motor kanggo pompa utawa kompresor. Nalika mesin kasebut mlayu, dheweke asring ngethok pirang-pirang kaget kanthi sistem kasebut, nanging NL Type coupling fleksibel nggunakake pengaruh sing ana, mbantu kabeh persiyapan luwih suwe. Lan ing garis conveyor, sampeyan ngerti, sing bisa mindhah bahan nonsties bahagia-nilon-lengan sikil Nylon Lengan Nyon Industri iki terus-terusan kanthi lancar nalika owah-owahan beban. Boten kados kalodhangan kaku sing lawas sing asring asring ngilangi downtime lan dhuwit sing dienggo ndandani.
Donya Otomotif lan Pengangkutan uga digunakake, utamane kanggo drive shafts lan bagean setir. Mobil lan truk kudu ngatasi getaran twisting nalika pindhah, nanging gandheng ciri fleksibel iki kanggo drive otomotif iki ngrendhem. Sing ora mung kendaraan luwih apik nanging uga luwih aman - ora ana guncang aneh mbuwang setir utawa nganggo sepur drive.
Nalika nggunakake panggunaan tliti precision, kaya mesin CNC utawa robot industri, gagang iki pancen sumunar. Mesin kasebut muter kanthi cepet lan mbutuhake gerakan sing akurat kanthi akurat, nanging misalignment garan cilik (kaya sudhut utawa shift paralel) bisa nganggu. Tipe Fleksibel Nilon Gear Tipe Ngatur masalah kasebut nalika tetep kanthi kecepatan sing dhuwur. Pramila akeh perusahaan Majelis Gedung Tampilan Gantung Nylon Gear iki kanggo Peralatan CNC iki kanggo peralatan CNC presisi nalika mbutuhake persiyapan khusus.
Sampeyan uga bakal nemokake ing sistem HVAC lan tanduran perawatan banyu. Panggonan kasebut nggunakake penggemar lan blowers akeh, lan yen bagean kasebut kedher banget, dheweke bakal banter. Gendhakan gear fleksibel getar iki kanggo para penggemar HVAC tetep mudhun lan peralatan sing mlaku kanthi mandheg ing proses pemanasan / adhem.
Kabeh ing kabeh, nggunakake tulisan fleksibel NL Type minangka pilihan sing ramah anggaran kanggo industri sing meh kabeh. Pancen angel, gampang diinstal, lan entuk tugas rampung. Yen sampeyan nggoleki supplier pasangan peralatan industri sing bisa dipercaya, Raydafon bisa ngupayakake pilihan khusus sing cocog karo kabutuhan sing tepat sampeyan supaya sampeyan entuk kinerja sing paling dawa.
Wang Lei, Engineical Engineer, Guangzhou Machinery Co, Ltd
Kita wis entuk pasangan Fleksibel Tipe Nilon Gear Tipe Raydafon ing garis Majelis kita saiki, lan dadi pemain sing luwih stabil luwih dipercaya tinimbang sawetara butok liyane sing wis kita nyoba. Desain Gear Nylon yaiku standout ing kene: Iki mindhah torsi lancar, ora ana transfer sing bisa dipercaya, lan ngethok geter kanggo mbedakake manawa mesin mlayu.
Instalasi minangka gunggunge angin. Kita ora duwe akeh ruang tambahan ing peralatan, nanging pasangan iki cocog karo kothak-ora kudu ngowahi apa wae. Iki wis mbukak Nonstop, lan ora ana tandha apa wae; Peridhaan kasebut tegese kita ora mandheg produksi kanggo ndandani utawa ngganti asring. Kabeh ing kabeh, iku pilihan sing kuat lan larang regane sing cocog karo apa sing dibutuhake.
⭐⭐⭐⭐⭐ John Smith, manajer tanduran, Solusi Industri Chicago, USA
Kita ngegelake kopling logam lawas kanggo Gear Nylon Gear NLL Raydafon ing Fasilitas Chicago, lan owah-owahan kasebut ana ing wayah wengi lan dina-sampeyan bisa ngrasakake mesin kasebut. Getaran sing digunakake kanggo rattle bagean longgar? Musna. Hum sing banter saka kopling lawas? Quieted mudhun banget ing lantai sing luwih tenang. Lan transfer daya? Gamelan kaya sing bisa, sanajan kita lagi mbukak akeh.
Apa maneh, ngatasi cara sing misalignment luwih apik tinimbang logam sing ora nate mundur saben minggu supaya bisa dilacak. Raydafon njaluk supaya kita cepet, Pangiriman langsung ing jadwal, lan paling dhuwur kanggo bagean sing murah utawa ora bisa digunakake. Aku wis ngandhani sawetara manajer tanduran liyane babagan; Iki minangka jinis produk sing pengin sampeyan liwati babagan.
⭐⭐⭐⭐⭐ Anna Müller, Pengawas Maintenvisor, Munich Engineering, Saksa
Kita masang jinis NL Raydafon ing mesin kecepatan dhuwur sawetara wulan kepungkur, lan wis dadi game kanggo tim kita. Bahan peralatan nilon minangka telpon pinter- ora nganggo cepet kaya logam, saengga kita ora ngganti bagean asring, lan cara sing luwih tenang. Iki bisa uga muni cilik, nanging toko luwih tenang tegese kurang lemes kanggo tim, lan gangguan nalika kita mriksa peralatan.
Cukup fleksibel kanggo ngatasi owah-owahan sethithik sing mlaku kanthi cepet, nanging isih kuwat kanggo terus meksa, ora mbengkongake utawa bubar. Instalasi prasaja, uga; Techts kita wis nyiyapake sajrone jam, ora ana instruksi sing rumit. Kita wis ngrampungake stoppages mesin sing luwih sithik wiwit nginstal, lan kabeh mlaku luwih lancar. Raydafon kabukten dheweke minangka supplier kita bisa ngilangi kejutan, mung produk sing apik.
Carlos Martínez, Direktur Operasi, Madrid Manufacturing Corp., Spanyol
Tipe Fleksibel Tipe Raydafon NL NYDAFON GEAR KENE KUNCI KUNCI KOLEKTIF KOLEKTIF. Kita nambahake menyang garis produksi kita ngarep-arep bisa nyuda geter lan nambah efisiensi - lan sing dikirim ing loro count, ora ana pitakonan. Gear nilon menehi jumlah keluwesan sing tepat kanggo njaga barang-barang, nanging ora ngurmati kekuatan-nalika kita meksa tingkat kanggo ketemu tanggal pungkasan.
Iku kompak, sing uga ditambah karo persiyapan kita; Kita ora duwe akeh ruang tambahan, lan coupling iki cocog karo tanpa nggawa bagean liyane. Kita wis nggunakake pirang-pirang wulan saiki, lan ora ana masalah - ora ana risalah, ora ana gangguan sing aneh, mung kinerja sing konsisten. Antarane produk dhewe lan layanan sing apik kanggo RaydaFon, kita luwih kepenak. Wong sing dadi penjaga.
alamat
Wilayah Industri Luotuo, Kabupaten Zhenhai, Kutha Ningbo, China
Telp


+86-574-87168065


Wilayah Industri Luotuo, Kabupaten Zhenhai, Kutha Ningbo, China
Hak Cipta © Raydafon Teknologi Group Co, winates kabeh hak dilindhungi undhang-undhang.
Links | Sitemap | RSS | XML | Kebijakan Privasi |
