Kode QR
Babagan Kita
Produk
Hubungi Kita


Fax
+86-574-87168065

E-mail

alamat
Wilayah Industri Luotuo, Kabupaten Zhenhai, Kutha Ningbo, China
Raydafon's SWC-WD sing cendhak tanpa flex coupling Universal Universal dibangun kanggo mindhah torsi kanthi efisien ing mesin-mesin Mills baja sing abot, krenjang, peralatan angkat, kabeh peralatan tugas abot. Iki entuk desain flange kompak, non-teleskopik, kanthi diameter gyrasi wiwit saka 180mm nganti 1320mm. Kopling universal flange sing cendhak iki bisa ngatasi kesalahane sudut nganti 15 derajat lan torsi kanthi dhuwur 16000 · · lan uga ing ruang sing ketat sing ora ana ing papan sing ora bisa ditransfer. Kita nggawe saka baja 35crmo dhuwur, kanthi struktur sing duwe biji sing ora butuh bolts kanggo kuping-balan universal kanggo mesin universal kanggo koplingan industri. Ora mbutuhake akeh upkeep lan tahan selawase, sing persis sing dibutuhake ing persiyapan sing angel.
Pabrik kita ing China ngetutake standar ISO ISO 8001, saengga kopling SWC-WD universal duwe kahanan ing kahanan sing kasar. Shaft salib yaiku krom-dilapisi kromawan, nambah kekarepan. Desain flange sing kenceng kasebut ndadekake instalasi angin, utamane ing metalurgy lan peralatan pertambangan ing endi gerakan axial cukup minimal. Kita bisa ngatur ukuran kanggo cocog karo kabutuhan, saéngga iki bisa digunakake ing universal universal iki sing apik kanggo kopling universal khusus kanggo krenjang khusus kanggo sistem kren lan kerja sing kerja liyane. Lan regane kompetitif uga. Kerajinan sing tepat Raydafon tegese peralatan kurang downtime lan luwih dipercaya - ana operator industri ing saindenging jagad bisa ngandel.
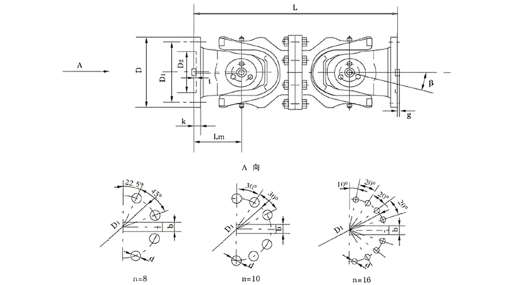
| Ora. | Diameteripun gyrasi d mm | Torsi Nominal Tn Kn · m | Sudut lipatan axes β (°) | Torsi Minyak Tf Kn · m | Ukuran (mm) | Bobot (kg) | |||||||||
| Lmin | D1 (JS11) | D2 (H7) | Lm | N-D | k | t | b (H9) | g | Lmin | Mundhak 100mm | |||||
| SWC180wd | 180 | 12.5 | 6.3 | ≤25 | 440 | 155 | 105 | 110 | 8-17 | 17 | 5 | - | - | 0.145 | 52 |
| SWC22NDD | 225 | 40 | 20 | ≤15 | 480 | 196 | 135 | 120 | 8-17 | 20 | 5 | 32 | 9.0 | 0.355 | 82 |
| SWC250wd | 250 | 63 | 31.5 | 560 | 218 | 150 | 140 | 8-19 | 25 | 6 | 40 | 12.5 | 0.831 | 127 | |
| SWC285WD | 285 | 90 | 45 | 640 | 245 | 170 | 160 | 8-21 | 27 | 7 | 40 | 15.0 | 1.715 | 189 | |
| SWC315WD | 315 | 125 | 63 | 720 | 280 | 185 | 180 | 10-23 | 32 | 8 | 40 | 15.0 | 2.820 | 270 | |
| SWC350WD | 350 | 180 | 90 | 776 | 310 | 210 | 194 | 10-23 | 35 | 8 | 50 | 16.0 | 4.791 | 370 | |
| SWC390wd | 390 | 250 | 125 | 860 | 345 | 235 | 215 | 10-25 | 40 | 8 | 70 | 18.0 | 8.229 | 524 | |
| SWC440WD | 440 | 355 | 180 | 1040 | 390 | 255 | 260 | 16-28 | 42 | 10 | 80 | 20.0 | 15.320 | 798 | |
| SWC490wd | 490 | 500 | 250 | 1080 | 435 | 275 | 270 | 16-31 | 47 | 12 | 90 | 22.5 | 25.740 | 1055 | |
| SWC550WD | 550 | 710 | 355 | 1220 | 492 | 320 | 305 | 16-31 | 50 | 12 | 100 | 22.5 | 46.780 | 1524 | |
| SWC620wd | 620 | 1000 | 500 | 1360 | 555 | 380 | 340 | 10-38 | 55 | 12 | 100 | 25.0 | 83.760 | 2120 | |
* 1 .. TF-ing alternatif mbukak torsi sing ngidini miturut kekuatan lemes.
SWC Universal SWC Universal Coupling-Biasane Disebut Shaft Cardan SWC Universal universal - ora mung bagean; Iku kudu ana ing kebon industri abot, kaya Mills Rolling, peralatan hoisting, lan kabeh jinis persiyapan mesin abot sing angel. Minangka cateng sendi Universal-Universal Torki, nindakake tugas sing padhet ngubungake rong transmisi shafts sing ora sampurna, priksa manawa kekuwatan bakal dikirim kanthi lancar sanajan kahanan kerja tenan.
Ayo ngobrol babagan spek inti: diameter gyrasi saka φ58 nganti φ620 nganti φ620, torsi nominal dadi saka 0,15 nganti 1000 nganti 1000 nganti 1 °.
Gandhengane iki kanthi apik ing papan khusus kaya sampeyan kudu nggunakake masalah sendi universal-tugas abot sing bisa dipercaya kanggo operasi pabrik gulung, utawa gabungan gabungan universal sendi universal sing tahan lama ing ngangkat lan peralatan penanganan. Ing kasus kasebut, nuduhake kekuwatane: sanajan ana stres sing gedhe, tetep dadi operasi kanthi stabil, ora ana kekurangan.
SWC Universal SWC Universal Coupling ora mung dibuwang - mula dibangun kanthi teknik sing cerdas, paling cerdas kanggo bisa digunakake lan terus nggunakake industri. Ayo mlaku ngliwati apa sing nggawe struktur kasebut.
Pisanan, konfigurasi sing cukup lan aman: Kita nggunakake desain kepala garpu terintegrasi kanggo masarakat sendi universal industri, sing ngethok risiko kaya bolts sing bakal ilang utawa bubar. Sing ngapiki mung nggawe 30% -50% sacara umum, saengga bisa langsung lan terus-terusan. Dibandhingake karo pasangan rutin, kanthi cara luwih suwe, lan ngindhari masalah umum ing sistem sing abot - kaya mesin sing abot kanggo sistem kopling sendi sing sampeyan deleng ing proyek sing angel.
Banjur ana kapasitas beban sing cocog karo universal: SWC abot sing abot kanggo ngatasi bobot gedhe, saengga kudu nangani beban sing dibutuhake, kaya mesin konstruksi.
Uga cocog karo efisiensi transmisi sing dhuwur nganti 98,6%. Minangka kopling sendi unigisi kanggo transmisi daya gedhe, iku wis nggunakake energi lan biaya sing ana gandhengane. Pramila minangka pilihan ndhuwur kanggo solusi sing duwe universal sing nyimpen energi universal energi ing persiyapan transmisi industri industri industri dhuwur.
Lan mlaku lancar kanthi swara sing kurang: transmisi tetep anteng, lan swara biasane nglayang ing antarane 30-40 DB (a). Coupling gabungan universal sing murah iki tetep sepi Operasi, sing cocog kanggo papan industri sing ora ana masalah kanggo njaga linuwih ing tingkat sing dhuwur.
⭐⭐⭐⭐⭐ Zhang Wei, Kepala Engineer, Henan Pertambangan Peralatan Minyak Co, Ltd
Kita wis nggawe SWC-WD Raydafon tanpa jinis flange unive universal ing mesin pertambangan, lan wis cocog. Desain kompak mung sing dibutuhake kanggo ruang sing ketat ing ngendi ora ana ruangan sing akeh banget, lan bangunan cukup angel kanggo njaga operasi kanthi stabil. Malah nalika mbukak Nonstop ing kahanan tugas abot, pasangan iki ora bakal ngilangi gagal - ora ana gagal. Tim pangopènan kita seneng yen meh ora butuh mriksa, tegese kita bisa njaga produksi obah kanthi lancar tanpa repot ekstra.
⭐⭐⭐⭐⭐ Michael Brown, Manager Operasi, Texas Steel, USA
Bengkel Texas kita mrentah kanthi cekak SWC-WD tanpa ngetik jinis flange universal saka Rayda, lan kanthi jujur, kualitas kasebut wis nyembur kita. Kopling kasebut digawe mesin kanthi apik, nginstal dheweke yaiku cinch, lan dheweke bisa dipercaya sanajan ana ing beban. Apa sing paling apik kanggo aku? Semono uga imbangan rega lan kinerja - sampeyan ora asring nemokake papan sing manis kasebut. Nggoleki supplier sing terus-terusan ngirim kualitas kualitas iki ora gampang, nanging Raydafon pancen wis kabukten dadi mitra sing dipercaya kanggo kita.
⭐⭐⭐⭐⭐ Anna Müller, Pengawas Maintenvisor, Berlin Industrial Solusi, Jerman
We sijine Raydafon SWC-WD sing cendhak tanpa fleksibel jinis flange universal ing garis peralatan berlin, lan asil wis gedhe. Produk kasebut dhewe ngrasakake rock-solid, welding minangka karya sing tepat - ora ana shoddy ing kene - lan nganti saiki, ditahan kanthi tliti, nuduhake daya tahan ndhuwur. Dibandhingake karo sawetara merek liyane sing digunakake ing Eropa, sing dadi pasangan iki luwih dipercaya, lan rega luwih kompetitif uga. Yen perusahaan liyane nggolek couplings universal sing bisa dipercaya, aku pancen nyaranake Raydafon.
SWC-WD Raydafon tanpa ringkes jinis flange universal coupling universal sing asring dibangun kanggo papan industri sing direncanakake, ing endi ruang diwatesi lan sampeyan butuh ekspansi tetep (ora ana extension teleskopik). Minangka supling sendi universal torsi dhuwur, mindhah torsi kanthi efisien antarane shafts sing ora didadekake siji, nangani panyimpangan sudut nganti 25 derajat, lan tetep dipercaya ing lingkungan tugas sing abot.
Ayo ngobrol babagan fitur utama: Nduwe struktur kompak lan kaku - persiyapan flange sing cekap, ora bisa dipercaya kanggo nggunakake operasi gulung, kanthi stabilitas ekstra minimal. Pramila makarya kanthi becik kanggo sambungan jarak tetep ing mesin sing angel. Banjur ana kapasitas sing ana gandhengane, kita nggunakake bahan sing angel kaya baja tast utawa baja wesi kanggo nggawe, saengga bisa nggunakake gabungan gaburan universal universal swc universal. Tampilake bobot gedhe lan ngirim torsi luwih saka sepotong liyane ing diameter sing padha, sing nggawe cocog kanggo beban abot ing peratuan pertambangan utawa konstruksi.
Kucing universal universal industri uga menehi kompensasi kanthi apik - apa sudut, paralel, utawa misaliment Axial, ora dadi kekacoan rotasi utawa transfer rotasi. Iki tegese operasi lancar ing mesin sistem sing abot universal. Lan efisien ing transmisi daya: Ngengingi nganti 98,6% Efisiensi Gabungan Universal-tugas universal universal tetep rugi energi sing kurang, nggawe kopling sendi unigure kanggo transmaan industri gedhe ing persiyapan industri gedhe ing persiyapan industri gedhe ing persiyapan industri gedhe.
Kajaba iku, dirancang kanggo ngirit energi lan mbukak sepi-yen sampeyan butuh solusi sing duwe energi sendi Universal energi, iki minangka pilihan ndhuwur, nglereni biaya operasional. Lan tetep swara antara 30-40 DB (A), saengga kopling gabungan universal universal iki ing papan ing kebon industri ing endi sing dadi perhatian.
Gegayuhan iki pancen cemlorot skenarios khusus nalika sampeyan butuh sing bisa dipercaya ing Operasi gabung kanggo mill pabriku, utawa masarakat sambungan sendi universal sing awet lan awet. Ing kasus kasebut, sanajan akeh beban lan ruang sing winates, tetep operasi stabil, ora ana hiccups.
Nalika nerangake aplikasi sing gegandhengan karo Industri Universal Universal, varian SWC-WD kita bakal metu karo engineering cerdas sing ndadekake luwih apik lan luwih suwe. Ayo ngobrol babagan struktur utama: Nduwe persiyapan sing cukup, aman, aman karo desain kepala garpu sing terintegrasi, bisa nyingkirake masalah kaya bolt sing bakal ilang utawa ngundhakake kekuatan 30% -50%. Tegese mlaku kanthi aman lan bisa dipercaya, luwih saka model gaya lawas, lan ngindhari risak sing umum ing papan sing apik stres, kayata mesin sing akeh mesin sing apik banget.
Kajaba iku, bisa nangani cara luwih akeh - kita dibangun kanggo ndhukung bobot bear universal, saéngga iki bisa ngatasi papan sing butuh nangani beban, kaya peralatan pertambangan utawa konstruksi. Iki uga mindhah kekuwatan kanthi tenung kanthi efisien, ngengingi nganti 98,6% efisiensi transmisi. Minangka kopling sendhi universal sing efisien kanggo transmisi daya sing efisien, iku ngilangi panggunaan energi lan biaya sing teka, nggawe solusi sing paling dhuwur kanggo solusi pasangan universal universal energi ing persiyapan transmisi industri industri sing dhuwur-daya.
Lan mlaku lancar kanthi transmisi swara-swara sing ora tetep, lan swara biasane tetep ana ing antarane 30-40 DB (a). Coupling gabungan universal sing murah iki tetep sepi sepi, sing cocog kanggo papan industri sing ora ana masalah, kabeh tetep tetep linuwih ing tingkat sing dhuwur.
Raydafon ora mung jeneng liya ing bagean transmisi - kita dadi produsen utama lan sumber komponen transmisi lan solusi sing cetha, lan kita entuk fokus ing Ghaut SWC Cardan Universal. Kita miwiti supaya bisa terus karo apa industri global sing kudu ditindakake, lan suwe-suwe, kita wis mbesuk silinder hidraulik, Sillion sing digawe kanggo nambah sektor lan silingan berjuang lan abot. Kita amba ing inovasi, sebabe kita bisa ngirim sing dipercaya karo Kupu-tugas sendi universal-tugas sing abot kanggo operasi mill sing cocog karo sistem sing paling kompleks tanpa hitch.
Fasilitas kita dadi ndhuwur, nanging duwe bengkel CNC, gilingan lan perawatan perawatan panas, lan sistem pangukuran 3D Lanjut. Kita nempatake standar kualitas kaya ISO9001 / Ts16949, lan persiyapan kasebut ngidini kita nggawe solusi sing cocog karo torsi universal sing mindhah torsi sing apik lan nangani kesalahan kaya pro. Njupuk gabungan gabungan sendi Universal sing tahan tahan lama kanggo ngangkat lan peralatan penanganan materi, umpamane dibangun kanggo papan sing mbutuhake kekuwatan sing akeh. Lan garis pasangan Universal sendi universal? Nutup kabeh jinis panggunaan ing endi precision lan stabil.
Wolung puluh persen apa sing bakal diekspor menyang panggonan kaya ing AS, Jerman, Jepang, Italia, Malaysia, Timur Tengah. Kita duwe jaringan sing kuwat ing China, Korea Kidul, Inggris, Singapura, AS, lan Spanyol uga, supaya kita mantep ing global. Reach sing bisa ditawakake pilihan sing cocog karo pilihan gabungan sing cocog karo klien, kaya ing mesin sing bisa digunakake ing klien, kaya ing sistem gabungan sendi Universal Universal yen tetep stabil ing ngisor iki ora bisa dirundingake.
Kita peduli babagan kelestarian lan nggawe solusi sing luwih dhisik masang pelanggan. Pramila kita ngembangake solusi pasangan sendi sing ana universal sing nylametake nganti 98,6% efisiensi pemotong transmisi energi sing dipotong kanthi nggunakake tenaga dhuwur. Apa sampeyan kudu nggunakake gabungan universal universal kanggo transmisi daya sing paling efisien utawa masakan gabungan universal sing murah kanggo papan ing papan sing ora ana masalah, produk kita kanthi layanan penjualan lengkap. Mangkene kita wis dadi mitra sing dipercaya ing industri transmisi - kita ora mung adol bagean, kita bisa nggawe maneh.
alamat
Wilayah Industri Luotuo, Kabupaten Zhenhai, Kutha Ningbo, China
Telp


+86-574-87168065


Wilayah Industri Luotuo, Kabupaten Zhenhai, Kutha Ningbo, China
Hak Cipta © Raydafon Teknologi Group Co, winates kabeh hak dilindhungi undhang-undhang.
Links | Sitemap | RSS | XML | Kebijakan Privasi |
