Kode QR
Babagan Kita
Produk
Hubungi Kita


Fax
+86-574-87168065

E-mail

alamat
Wilayah Industri Luotuo, Kabupaten Zhenhai, Kutha Ningbo, China
SWC-WF Raydafon tanpa flame coupling Universal Universal digawe mung kanggo transmisi torsi dhuwur ing peralatan metallurgy mesin sing abot, krenjang, sistem pertambangan, kabeh persiyapan angel sing mbutuhake kekuwatan sing angel. Nduwe desain flange sing ora fleksibel, diameter gyrasi wiwit saka 160mm nganti 640mm, lan jinis flame sing universal gagang ora ana gandhengane karo rotary kecepatan sing ora ana masalah, sanajan makarya ing kahanan super nuntut. Kita nggunakake baja 35crmo sing dhuwur kanggo mbangun, saengga bisa mbukak kanthi sampurna-persis kenapa pilihan ndhuwur kanggo mesin universal kanggo mesin sing ora enak lan universal kanggo aplikasi industri. Manufaktur presisi Raydafon nggawe manawa ngirim kinerja solid saben, utamane kanggo industri sing ora bisa kompromi babagan kiriman torsi sing konsisten.
Kopling universal SWC-WF iki dibangun, kanthi sambungan flange sing kenceng sing nggawe instalasi gampang ing sistem kaya dalar delivers drive lan gerakan rilling sing ora akeh. Kita tindakake standar ISO 9001, lan pabrik berbasis China nggunakake mesin cuci canggih ditambah mriksa kutu kualitas sing gampang kanggo nggawe fitur universal flan flan flanal. Nerangake ing ukuran sing bisa disesuaikan, kanthi rating torsi nganti 1250 kn, saengga pas dadi kopling universal khusus kanggo peralatan metalururgy liyane. Raydafon uga nawakake solusi sing cocog karo rega sing kompetitif, mbantu nyuda downtime lan ningkatake linuwih peralatan.
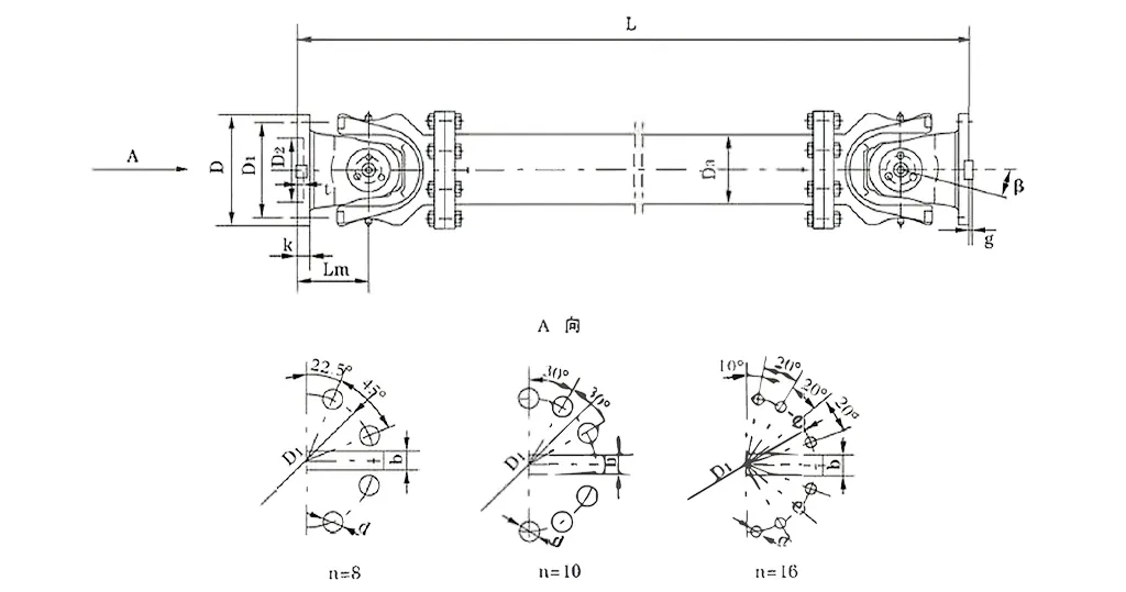
| Ora. | Diameteripun gyrasi d mm | Torsi Nominal Tn Kn · m | Sudut lipatan axes β (°) | Torsi Minyak Tf Kn · m | Ukuran (mm) | Muter Inersia KG.M2 | Bobot (kg) | |||||||||||
| Lmin | D1 (JS11) | D2 (H7) | D3 | Lm | N-D | k | t | b (H9) | g | Lmin | Mundhak 100mm | Lmin | Mundhak 100mm | |||||
| Swc285wf | 285 | 90 | 45 | ≤15 | 810 | 245 | 170 | 194 | 160 | 8-21 | 27 | 7 | 40 | 15 | 2.664 | 0.051 | 220 | 6.3 |
| Swc315wf | 315 | 125 | 63 | 915 | 280 | 185 | 219 | 180 | 10-23 | 32 | 8 | 40 | 15 | 4.469 | 0.0795 | 300 | 8.0 | |
| SWC350WF | 350 | 180 | 90 | 980 | 310 | 210 | 267 | 194 | 10-23 | 35 | 8 | 50 | 16 | 7.388 | 0.2219 | 412 | 15.0 | |
| SWC390WF | 390 | 250 | 125 | 1100 | 345 | 235 | 267 | 215 | 10-25 | 40 | 8 | 70 | 18 | 13.184 | 0.2219 | 588 | 15.0 | |
| SWC440WF | 440 | 355 | 180 | 1290 | 390 | 255 | 325 | 260 | 16-28 | 42 | 10 | 80 | 20 | 23.250 | 0.4744 | 880 | 21.7 | |
| SWC490WF | 490 | 500 | 250 | 1360 | 435 | 275 | 325 | 270 | 16-31 | 47 | 12 | 90 | 22.5 | 40.750 | 0.4744 | 1173 | 21.7 | |
| Swc550wf | 550 | 710 | 355 | 1510 | 492 | 320 | 426 | 305 | 16-31 | 50 | 12 | 100 | 22.5 | 68.480 | 1.3570 | 1663 | 34.0 | |
| SWC620WF | 620 | 1000 | 500 | 1690 | 555 | 380 | 426 | 340 | 10-38 | 55 | 12 | 100 | 25 | 127.530 | 1.3570 | 2332 | 34.0 | |
* 1 .. TF-ing alternatif mbukak torsi sing ngidini miturut kekuatan lemes.
* 2 .. L-Lahan dawa, yaiku miturut syarat kasebut.
SWC-WF Raydafon tanpa flack clange Universal Sendi Universal Universal Cocial-uga diarani karya sendi Cardan universal ing ide mekanik dhasar: bakal dadi torsi saka loro sing kudu dituju ing endi wae. Masakan sendi Universal Torki nggunakake persiyapan silang iki kanggo nyambungake flanges ing mburi, saengga shafts diimbangi nganti 25 derajat utawa duwe panyimpangan sudhut / radial, isih mindhah kekuwatan rotasi.
Atine carane kerjane yaiku desain gabungan universal - ana batang salib sing tumindak kaya pivot, supaya saben flange dhewe. Kanthi mangkono, torsi dadi saka gagang nyopir menyang poros sing didorong kanthi efisien, lan nggawe kesalahan sudut tanpa stres banget ing bagean kasebut. Yen sampeyan butuh sing bisa dipercaya bareng-bareng Bersama-tugas sendhi abot kanggo operasi pabrik gulung, struktur flange sing ora fleksibel, iki pancen ora cocog kanggo sambungan jarak cendhak ing persiyapan mesin abot.
Apa sing nggawe fungsi sing metu yaiku ora duwe bagean fleksibel utawa fitur fleksibel - iki nyetel saka jinis liyane lan nggawe apik kanggo papan sing ana gerakan axal. Gabungan sambungan sambungan universal swc awet sing kudu digunakake ing Angkat lan Peralatan nangani materi ing prinsip iki supaya tetep seimbang sanajan akeh; Iki cocog karo efisiensi transmisi nganti 98,6% lan ora akeh energi. Coupling sendi universal industri iki uga ngethok getaran kanggo gerakan bantalan sing tepat, saengga bisa mlaku kanthi stres ing sistem sing paling dhuwur sing sampeyan bisa ndeleng ing proyek industri sing angel.
Kajaba iku, SWC Raydafon Heavy-tugas sendi sing tugas ing Raydaf duwe flanger sing bisa ditindakake supaya bisa kuwatir karo bolts sing bakal ilang, lan nambah kekuatan 30% nganti 50% nganti 50% nganti 50% nganti 50% nganti 50% nganti 50% nganti 50% nganti 50% nganti 50% nganti 50% nganti 50% nganti 50% nganti 50% nganti 50% nganti 50% nganti 50% nganti 50% nganti 50% nganti 50% nganti 50% nganti 50% nganti 50% nganti 50% nganti 50% nganti 50% nganti 50% nganti 50% nganti 50% nganti 50% nganti 50% nganti 50% nganti 50% nganti 50% nganti 50% nganti 50% nganti 50% nganti 50% nganti 50% nganti 50% nganti 50% nganti 50% nganti 50% nganti 50% nganti 50% nganti 50% nganti 50% nganti 50% nganti 50% nganti 50%. Minangka kopling sendi unigisi kanggo transmisi daya sing efisien, ngucapake trique nominal saka 0,15 nganti 1000 nganti 1000 nganti diameter sing paling dhuwur kanggo solusi ing φ58 nganti ·620-· Lan swara sing dijaga antara 30-40 DB (A), coupling sendi universal sing murah banget, sing cocog kanggo papan sing cocog karo gangguan ing omah, kabeh tetep standar linuwih.
Raydafon's SWC Universal Coupling-Asring diarani SWC Cardan Batang Universal Universal - ora mung bagean biasa; Minangka persiyapan industri abot, kaya Mills Rolling, Mesin Hoisting, lan kabeh jinis sistem mesin abot sing angel. Minangka supling sendi universal torsi dhuwur, nindakake tugas sing padhet ngubungake rong poros transmisi sing ora cocog kanthi sampurna, priksa manawa kekuwatan terus-terusan.
Ayo ngobrol babagan spek utama: diameter gyrasi saka φ58 nganti φ620 nganti φ620, torsi nominal dadi 0,15 nganti 1000 nganti 1000 nganti 1 °.
Produk iki pancen sumunar ing skenarios khusus nalika sampeyan butuh sing bisa dipercaya bareng karo operasi gulung gulung, utawa masarakat sambungan sambungan universal sing tahan lama ing ngangkat lan peralatan penanganan. Ing kasus kasebut, mbuktekake regane kanthi njaga operasi sing stabil, sanajan ngatasi beban sing abot.
Raydafon's SWC Universal Coupling ora mung dibangun kanggo fungsi-sing direkayun kanthi desain cerdas kanggo nggunakake industri lan tetep tampil kanthi dawa. Ayo ngilangi apa sing nggawe struktur kasebut metu.
Pisanan, konfigurasi sing cukup lan aman: Kita nggunakake desain kepala garpu terintegrasi kanggo masarakat sendi universal industri, sing ngethok risiko kaya bolts sing bakal ilang utawa bubar. Iki mung ningkatake integritas struktural kanthi 30% -50%, saengga bisa digunakake kanthi aman lan bisa dipercaya. Dibandhingake karo pasangan rutin, luwih suwe luwih suwe lan ngindhari risak sing umum ing papan sing dhuwur banget - kaya mesin sing abot kanggo sistem kopling sendi sing sampeyan deleng ing proyek sing angel.
Banjur ana kapasitas beban sing cocog karo universal universal universal universal sing apik digawe kanggo ngatasi bobot gedhe, mula kudu ana ing papan sing butuh manajemen beban top-kedudang, kaya mesin pertambangan utawa konstruksi.
Uga menehi efisiensi transmisi dhuwur nganti 98,6%. Minangka kopling sendi unigisi kanggo transmisi daya gedhe, iku ngethok energi lan biaya sing ana gandhengane. Pramila pilihan utama kanggo solusi pasangan sendi unin energi universal energi ing persiyapan transmisi industri industri industri dhuwur.
Lan mlaku lancar kanthi swara sing kurang: Iki terus transmisi, lan swara biasane tetep ana ing antarane 30-40 DB (a). Kuping sendi universal sing murah iki ndadekake operasi manawa tetep sepi, sing cocog kanggo papan sing ana gangguan dadi masalah - kabeh tetep linuwih ing tingkat sing dhuwur.
⭐⭐⭐⭐⭐ Chen Liang, Production Engineer, Zhejiang Machinery Co, Ltd
Kita sijine SWC-WF Raydafon tanpa jinis sing ana ing jinis flange universal ing salah sawijining garis produksi, lan wis digunakake kanggo saiki. Struktur prasaja nanging angel dipasang, ana angin, ora ana langkah sing rumit. Sawise disiyapake, diluncurake lancar, ora perlu kanggo njiwet tambahan. Malah nalika abot, gamelan iki tetep dipercaya, sing tegese kita bisa njaga mesin mlaku nganti suwe ora kuwatir banget menehi katenangan pikiran.
⭐⭐⭐⭐⭐ Sun Mei, Supervisor, Hebei Steel Co, Ltd
Perusahaan kita tuku sawetara SWC-WF tanpa ngetik tulisan flupe universal saka Raydafon, lan sepisanan, pangiriman kasebut tepat wektu, lan bungkus kasebut ora ati-ati banget. Apa sing dingerteni kanggo aku yaiku apa sing dikandhakake tim bengkel: dheweke ngandhani yen kopling gampang diinstal, lan yen nggunakake, dheweke rumangsa kuwat. Kajaba iku, dibandhingake karo supplier liyane, rega ing kene adil. Kabeh, kita seneng banget karo tuku iki.
Guo Jun, Pengurus Manager, Liaoning Industry Group
Pakaryanku yaiku supaya mesin kita mlaku, lan aku nyoba ngethok downtime kaya sing dakkarepake. Wiwit kita miwiti nggunakake SWC-WF RayDafon tanpa flange jinis flange universal, aku weruh prabédan sing luwih murah, lan cara masalah sing luwih sithik sajrone operasi. Desain angel, lan ora butuh perawatan akeh. Sing nyimpen kita wektu lan dhuwit, lan ternyata dadi bagean sing bisa dipercaya kanggo peralatan kita.
Raydafon minangka anak utama ing Ever-Power Group Co, Ltd - kita ora mung supplier, nanging panyedhiya produk kanggo komponen transmisi lan solusi industri paling apik, lan kita kudu fokus kanggo produking inovatif kaya gabungan SWC Cardan Universal. Wiwit kita miwiti, kita wis ngerti babagan teknologi maju lan tuwuh ing pasar global; Kita ora mandheg kanggo adol komponen tunggal - saiki kita nyusun solusi sistem lengkap sing cocog karo perjanjian industri perjanjian lan abot. Kita ngerti babagan drive lan produk transmisi tegese klien sing mbutuhake layanan sendi Universal-tugas universal-tugas abot kanggo operasi gulung mill (lan proyek angel) bisa dianggep kita minangka mitra sing padhet.
Ing Raydafon, kita nggawe macem-macem produk: gearboxes, cukur, silinder hidraulik, pulker, lan malah alat mesin canggih kaya mesin panggilan cnc. Solusi gabungan sendi-dhuwur-torsi-torsi-tori, kanggo conto-dibangun kanggo ngatasi tuntutan industri sing mbutuhake tahan gabungan sendhi sendi universal. Kita entuk fasilitas maju: bengkel CNC, mesin perawatan panas, alat pangukuran 3D, saéngga saben kopling sendhi universal industri sing digawe kanthi kualitas lan tepat.
Kita adol 80% produk ing jaban jaban ing jaban ing luar negeri, Jerman, Jepang, Italia, Malaysia, Timur Tengah. Lan kita entuk jaringan sing kuwat ing papan kaya China, Korea Kidul, Inggris, Singapura, AS, lan Spanyol mbalik maneh. Derba global iki ngidini kita nggawe solusi khusus, kaya sing dirancang karo SWC abot-dirancang kanggo sistem gabungan sendi sendi universal sing kudu ngatasi beban gedhe lan tahan suwe.
Inovasi lan nggawe pelanggan seneng dadi prioritas kita. Kita nawakake solusi sing duwe universal sing nylametake energi sing cocog karo 98,6% efisiensi transmisi transmisi 98,6%, nglumpukake biaya operasional kanggo persiyapan tenaga sing dhuwur. Apa sampeyan kudu nggunakake gabungan universal universal kanggo transmisi daya sing paling efisien utawa sing paling murah ing papan sing penting banget, produk kita duwe layanan kerja sing profesional - lan kita darmabakti kanggo nindakake perkara sing bener. Pramila Raydafon minangka pilihan sing paling apik kanggo kabeh kabutuhan transmisi.
alamat
Wilayah Industri Luotuo, Kabupaten Zhenhai, Kutha Ningbo, China
Telp


+86-574-87168065


Wilayah Industri Luotuo, Kabupaten Zhenhai, Kutha Ningbo, China
Hak Cipta © Raydafon Teknologi Group Co, winates kabeh hak dilindhungi undhang-undhang.
Links | Sitemap | RSS | XML | Kebijakan Privasi |
