Kode QR
Babagan Kita
Produk
Hubungi Kita


Fax
+86-574-87168065

E-mail

alamat
Wilayah Industri Luotuo, Kabupaten Zhenhai, Kutha Ningbo, China
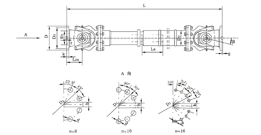
SWC-BF SWC-BF Standard Flang Standard Flange Universal FLANGE CATETAN kanggo mindhah torsi kanthi rolin ing mesin sing abot, peralatan nggawe kertas, drive industri, sing mbutuhake kinerja sing angel. Nduwe desain flange flang sing fleksibel, kanthi diameter gyrasi wiwit saka 180mm nganti 620mm, lan standar sudut standar nganti 15 derajat ditambahi torsi sing paling dhuwur 12,50 kn · Malah ing lingkungan kerja sing nuntut, tetep mlaku kanthi stabil, ora ana gulung. Kita nggawe baja jarum 35crmo lan kabutuhan tliti kanthi dhuwur, saengga sampurna minangka koplingan universal kanggo mesin industri lan kuthan flange flange kanthi peralatan sing abot, lan sampeyan meh ora weruh geter.
Pabrik kita ing China ngetutake standar ISO 8001, saengga kopling SWC-BF sing luwih apik lan nolak karat - kabeh matur nuwun kanggo batang salib sing dilapisi. Sambungan flange nggawe instalasi gampang, yaiku bantuan gedhe ing lapangan kaya metalurgi, pertambangan, lan shipbuily lan fleksibilitas axial sing duwe modifikasi modifikasi. Kita uga bisa ngatur ukuran ukuran lan torsi uga, saéngga kopling universal flex sing awet iki bisa digunakake kanthi adat universal kanggo rolling rolly lan kabutuhan industri liyane. Lan regane kompetitif, ora ana overcharging. Raydafon ngerti-kepiye sampeyan bakal nggunakake wektu sing kurang kanggo pangopènan, lan peralatan sampeyan bakal luwih dipercaya operator ing saindenging jagad bisa ngandel.
| Ora. | Diameteripun gyrasi d mm | Torsi Nominal Tn Kn · m | Sudut lipatan axes β (°) | Torsi Minyak Tf Kn · m | Jumlahe fleksibel Ls mm | Ukuran (mm) | Muter Inersia KG.M2 | Bobot (kg) | |||||||||||
| Lmin | D1 (JS11) | D2 (H7) | D3 | Lm | N-D | k | t | b (H9) | g | Lmin | Mundhak 100mm | Lmin | Mundhak 100mm | ||||||
| SWC180BF | 180 | 12.5 | 6.3 | ≤25 | 100 | 810 | 155 | 105 | 114 | 110 | 8-17 | 17 | 5 | -1.455 | - | 0.27 | 0.0070 | 80 | 2.8 |
| SWC225BF | 225 | 40 | 20 | ≤15 | 140 | 920 | 196 | 135 | 152 | 120 | 8-17 | 20 | 5 | 32 | 9 | 0.79 | 0.0234 | 138 | 4.9 |
| SWC250BF | 250 | 63 | 31.5 | 1035 | 218 | 150 | 168 | 140 | 8-19 | 25 | 6 | 40 | 12.5 | 1.46 | 0.0277 | 196 | 5.3 | ||
| Swc285bf | 285 | 90 | 45 | 1190 | 245 | 170 | 194 | 160 | 8-21 | 27 | 7 | 40 | 15 | 2.87 | 0.0510 | 295 | 6.3 | ||
| Ssc315bf | 315 | 125 | 63 | 1315 | 280 | 185 | 219 | 180 | 10-23 | 32 | 8 | 40 | 15 | 5.09 | 0.0795 | 428 | 8.0 | ||
| SWC350BF | 350 | 180 | 90 | 150 | 1410 | 310 | 210 | 267 | 194 | 10-23 | 35 | 8 | 50 | 16 | 9.20 | 0.2219 | 632 | 15.0 | |
| SWC390BF | 390 | 250 | 125 | 170 | 1590 | 345 | 235 | 267 | 215 | 10-25 | 40 | 8 | 70 | 18 | 16.62 | 0.2219 | 817 | 15.0 | |
| SWC440BF | 440 | 355 | 180 | 190 | 1875 | 390 | 255 | 325 | 260 | 16-28 | 42 | 10 | 80 | 20 | 28.24 | 0.4744 | 1290 | 21.7 | |
| SWC490BF | 490 | 500 | 250 | 190 | 1985 | 435 | 275 | 325 | 270 | 16-31 | 47 | 12 | 90 | 22.5 | 46.33 | 0.4744 | 1631 | 21.7 | |
| Swc550bf | 550 | 710 | 355 | 240 | 2300 | 492 | 320 | 426 | 305 | 16-31 | 50 | 12 | 100 | 22.5 | 86.98 | 1.3570 | 2567 | 34.0 | |
| SWC620BF | 620 | 1000 | 500 | 240 | 2500 | 555 | 380 | 426 | 340 | 10-38 | 55 | 12 | 100 | 25 | 147.50 | 1.3570 | 3267 | 34.0 | |
Bunder universal-uga diarani kesempatan sendi universal - minangka bagean mekanik sing mindhah torsi lan gerakan rotasional ing antarane rong shafts sing bisa uga ora cocog. Dheweke nangani sudut, axial, lan radial kesalahane, kabeh njaga transfer daya efisien ing panggunaan macem-macem panggunaan. Ing Raydafon, shaft cardan sambungan SWC universal Universal minangka conto perdana Teknik ndhuwur-kedudukan ing papan sing digawe universal dhuwur ing papan sing ditindakake kanthi torsi sing digawe kanggo muter lan mesin hoisting.
Ayo nggawe jinis utama ing pasangan sajak universal:
Pertama yaiku sendi universal tunggal. Nduwe salah sawijining pivot berbentuk salib nyambungake rong yoken, supaya shafts duwe salah kesalahan sudut nganti 45 derajat. Kerjane kanthi becik kanggo persiyapan kanthi offset moderat, sanajan bisa nyebabake owah-owahan. Raydafon sing bisa dipercaya dening Raydafon kanggo Raydafon kanggo Operasi Gulung Mill asring nggunakake desain gabungan tunggal ingkang kompak, saengga bisa nahan gedhe.
Banjur ana gabungan universal dobel. Nduwe rong sambungan sing gegandhengan, sing ngalahake kesalahan sing luwih gedhe lan tetep kecepatan transmisi meh ora cocog kanggo persiyapan batang angel. Yen sampeyan butuh masarakat sambungan sambungan universal swc sing awet lan nangani materi, model gabungan kaping pindho RAYDAFON stabilitas lan nyuda getaran ing sistem gabungan universal sendi ing sistem universal.
Sabanjure yaiku teleskopik utawa sendi universal universal. Iki wis nyepetake utawa ngusapake bagean sing ngidini sampeyan nyetel dawa nalika bisa menehi kompensasi kanggo misalignment, sing bisa digunakake kanggo gerakan axial ing persiyapan dinamis. Raydafon's Swc Covery Covery Bersama-Turu kalebu pilihan teleskopik sing apik kanggo transmisi daya sing efisien ing papan kaya tambang kaya tambang kaya pari, ing ngendi sampeyan butuh fleksibilitas.
Ana uga jinis Hub sing solid, bosen, utawa ndhuwur. Iki beda karo cara nyambungake: Hubungan padhet ora duwe bolongan, hubur bosen duwe bunder, hex, utawa bukaan persegi, lan hub sing dipasang kanthi pas. Kanggo solusi sing duwe energi ing energi, Raydafon nawakake desain sing paling apik kanggo universal-universal-padha ngoptimalake kiriman torsi lan njaga swara nganti 30-40 dB.
Raydafon universal universal Raydafon, kalebu Seri Series, digawe kanthi desain kepala garpu sing gegandhengan karo bolt, sing luwih cocog karo 30% -50% lan entuk efisien nganti 98,6%. Fitur kasebut nggawe produk sing paling apik kanggo profesional sing mbutuhake solusi khusus, kinerja dhuwur.
Couplings universal-njupuk SWC Cardan Shaft Cardani Universal minangka conto utama sing dibutuhake kanggo sistem transmisi industri. Dheweke mindhah torsi kanthi efektif ing antarane shafts sing ora didadekake siji, nangani macem-macem babagan nyimpang, lan kudu njaga operasi kanthi lancar ing lingkungan sing kudu ditrapake ing lingkungan sing dibutuhake.
Ayo nyilem menyang kaluwihan utama: Kaping pisanan, dheweke luwih akeh ganti rugi kanggo nyasarake. Kopling universal nangani sudut, axial, lan radial sing salah nganti 25 derajat, sing nggawe kebutuhan sendi unigility-tugas abot kanggo Operasi gulung mill. Dheweke nindakake iki tanpa nambah stres utawa geter mekanik sing akeh banget, mula mesin sampeyan tetep dilindhungi.
Banjur ana kekutusan sing angel lan urip layanan sing dawa. Kita mbangun kaluputan kasebut kanthi desain kepala garpu lan bahan sing terintegrasi, sing ngethok risiko kaya bolt sing bakal ilang 30% -50%. Pramila gabungan gabungan gabungan sendi universal swc awet sing diangkat lan peralatan nangani materi kanthi becik kanggo kahanan sing dawa ing kahanan sing atos; Iki nglumpukake model tradisional kanthi nembak dawa.
Dheweke uga duwe kapasitas beban lan torsi ndhuwur. Engineered kanggo nahan bobot abot lan ngirim torsi nominal saka 0,15 nganti 1000 nganti 1000 nganti 1000 nganti 1000 kanggo kopling sendhi universal industri sumunar ing sistem gabungan sendi sing abot. Ing persiyapan kasebut, kinerja sing konsisten ing pirang-pirang beban sing ekstrem yaiku nggawe-utawa-break, lan coupling iki menehi saben wektu.
Yen entuk efisiensi transmisi tenaga, dheweke angel dikalahake. Ngengingi nganti 98,6% efisiensi, kopling sendi universal sing abot kanggo energi SWC tetep kelangan energi. Sing nggawe pasangan gabungan universal universal kanggo transmisi daya gedhe ing aplikasi industri dhuwur-listrik, lan luwih suwe, efisiensi nambah kanggo tabungan biaya nyata.
Paling pungkasan, paling ora, dheweke nyimpen energi lan sepi sepi. Minangka solusi sing duwe energi sendi Universal energi, dheweke bisa nggunakake listrik, lan padha karo 30-40 DB (a). Kopling gabungan universal sing murah iki pancen sampurna kanggo papan industri ing ngendi swara ora dadi perhatian - sampeyan entuk linuwih sing dibutuhake tanpa operasi kanthi swara.
Kekigotan universal-paling wong nyebutake pasangan bojo bareng bareng Universal ing ide mekanik sing sederhana nanging efektif: dheweke nyasarake torsi sing ora cocog, nangani sudut, sudut, lan kesusahan radial tanpa ngalahake. Entuk sambungan SWC Cardan Raydafon Universal Universal, umpamane - iku pertunjukan saka prinsip iki. Iki nggunakake pivot berbentuk salib (kita asring nyeluk laba-laba) kanggo nyambungake alangan ing saben batang, saéngga ngirim daya kanthi lancar sanajan ing persiyapan industri sing rame.
Atine carane kerjane yaiku plot salib: ngidini umpamane muter kanthi mandiri, sing nggawe tirta batang nganti 25 derajat nalika njaga kiriman torsi konsisten. Masakan sendi universal torsi dhuwur uga terus owah-owahan rotasi kanthi minimal - utamane nalika desain gabungan dobel - dadi cocog kanggo nggarap Operasi gabung sing dibutuhake kanggo operasi gulung mill. Lan karo seri SWC Raydafon, kita nambah desain kepala garpu sing terintegrasi kanggo nggawe mekanisme iki luwih apik: bisa nyisihake masalah kaya 30% -50%, lan mbantu luwih dawa ing bintik stres.
Prinsip iki uga ndhukung kapasitas sing gedhe banget. Torquing Coupling Nominal saka 0,15 nganti 1000 nganti 1000 nganti 1000 lan diameter gyrasi antara φ58 lan φ620 - dadi peralatan penanganan universal sengkor sing tahan lama lan tliti sing kuat kanggo operasional angel. Kajaba iku, kopling sendi universal industri nganti nganti 98,6% efisiensi transmisi transmisi 98,6%, nglereni energi ing sistem kopling sendi Universal.
Apa maneh, SWC Heavy-tugas sendi universal-tugas universal sing cocog karo Fitur sing cocog karo operasi sing lancar: Iki tetep tetep antara, lan swara tetep antara 30-40 DB (a). Sing nggawe pasangan gabungan universal universal kanggo transmisi daya gedhe, lan solusi sing paling dhuwur energi sing duwe energi kanggo persiyapan industri industri dhuwur-daya. Kabeh ing kabeh, kuntungan sendi universal sing murah iki tetep dadi sepi, saengga bisa digunakake ing papan-papan sing ora ana perhatian.
⭐⭐⭐⭐⭐ li jun, engineer senior, Jiangsu Power Equipment Co, Ltd
Kita wis nggunakake SWC-BF Valange Universal SWC-BF standar Raydafon kanggo sawetara wulan saiki, lan wis dadi gedhe. Apa sing paling akeh yaiku keluwesan saka kopling iki - iki digawe mesin kanthi cara luwih dipercaya, utamane nalika entuk ganti rugi kanggo nyasar garan. Nginstall Iki proses lancar, ora ana langkah-langkah sing angel, lan kualitas weld katon padhet banget-temtunipun menehi tentrem atine sing bakal daklakoni. Kanggo rega, iku regane sing apik banget, lan yen sampeyan lagi ing industri mesin abot, aku pancen nyaranake kopling universal flange flange iki.
⭐⭐⭐⭐⭐ John Davis, Engineical Engineer, Manchester Engineering Ltd., Inggris
Ing fasilitas Manchester kita, kita nuli metu saka pasangan sing lawas kanggo jinis flange universal sing apik, lan bedane wis nyata. Pamindhahan universal iki kanthi lancar lan kanthi efisien, sanajan kita lagi mlaku ing kahanan sing dhuwur-stres - iku ora nate ngidini. Fleksibililitas sing dipasangake karo desain angel supaya mesin mlaku tanpa hitch. Kajaba iku, Raydafon entuk pangiriman kanggo kita kanthi cepet, lan layanan pelanggan dadi top-keduduk-angka kanggo tuku kabeh pengalaman tuku luwih apik. Highly Rekomendasi sing bisa dipercaya Flanging universal COUPLING!
⭐⭐⭐⭐⭐ Matteo Rossi, Operasi Manager, Milan Industrial Solutions, Italia
Kita padha golek pasangan universal sing bisa nangani kesalahane kanthi apik, lan carane kita nemokake SWC-BF Raydafon SWC-BF standar Universal FLANEAL. Kita wis nggunakake sawetara minggu, lan aku bisa ujar manawa priksa kabeh kothak kita. Nginstal gampang, ora ana repot ekstra, lan sanajan kita nglebokake kahanan sing tantangan, terus. Kualitas kasebut pinunjul kanggo rega-temtunipun minangka investasi sing cerdas kanggo mesin kita. Aku seneng banget karo produk lan layanan Raydafon menehi kita.
Raydafon ora mung pabrikan - kita minangka supplier utama ing komponen transmisi top-unding lan solusi mesin industri, lan kita entuk keahlian ing produk SWC Cardan Universal Universal. Kita miwiti kanthi inovasi lan kualitas ing inti, lan suwe-suwe, kita wis thukul barisan kita kalebu gearboxes, cukur mesin, lan alat mesin hidrata, kabeh dibangun kanggo nyukupi panjaluk industri pertanian lan abot. Solusi masarakat sendi-dhuwur-torsi ing Torsie kita digawe kanthi ati-ati, mesthekake manawa para torsi bisa ditangani kanthi ati-ati kanggo klien sing butuh banget kanggo klien sing mbutuhake dipercaya operasi gulung mill.
Fasilitas produkitas kita kalebu negara: Kita entuk bengkel CNC, gilingan lan peralatan perawatan panas, lan sistem pangukuran 3D. Kita nempatake standar sing ketat kaya ISO9001 / TS16949, saéngga saben kopling sendi universal industri sing digawe lan dibangun nganti pungkasan. Njupuk gabungan gabungan sendi Universal sing tahan tahan lama kanggo ngangkat lan peralatan penanganan materi, umpamane dioptimalake kanggo papan sing mbutuhake kekuwatan sing akeh. Lan kopling sendi universal-tugas universal sing abot? Ngatasi masalah ing mesin sing abot ing sistem gabungan universal universal, sing tetep stabil ing kahanan sing ora bisa dirundingake.
Kita amba kanggo nggayuh global-80% produk bisa diekspor menyang pasar kaya AS, Jerman, Jepang, Italia, Malaysia, Timur Tengah. Kita entuk jaringan sing kuwat ing China, Korea Kidul, Inggris, Singapura, AS, AS, lan Spanyol, sing ngidini kita nggawe pasangan gabungan universal universal sing efisien kanggo pilihan panelitian tenaga dhewe sing efisien kanggo pilihan transmisi daya sing efisien kanggo pilihan panelitian tenaga dhewe sing efisien kanggo pilihan transmisi daya sing efisien kanggo pilihan transmisi daya sing efisien kanggo pilihan transmisi daya khusus. Iki cocog karo kabutuhan khusus, kaya solusi sing ana ing energi sendi Universal energi sing dipasang nganti 98,6% efisiensi transmisi efisi Motong nggunakake energi dhuwur.
Kelestarian lan inovasi klien-fokus klien kanggo kita. Pramila kita nawakake pilihan pasangan sendi Universal sing murah banget sing terus gunane antara 30-40 DB (A) -perekfect kanggo papan industri ing endi sing dadi perhatian. Lan kita bali kabeh kanthi dhukungan sawise dodolan lengkap. Komitmen kita kanggo nindakake perkara sing bener ndadekake Raydafon dadi pasangan sing dipercaya ing industri transmisi, mbantu para profesional mbantu entuk kinerja lan linuwih sing paling apik kanggo peralatan.
alamat
Wilayah Industri Luotuo, Kabupaten Zhenhai, Kutha Ningbo, China
Telp


+86-574-87168065


Wilayah Industri Luotuo, Kabupaten Zhenhai, Kutha Ningbo, China
Hak Cipta © Raydafon Teknologi Group Co, winates kabeh hak dilindhungi undhang-undhang.
Links | Sitemap | RSS | XML | Kebijakan Privasi |
